Announcement

Collapse
No announcement yet.

Help! Cant find part

Collapse
X
  • Filter
  • Time
  • Show
Clear All
new posts

  • Help! Cant find part

    I had a pinhole in the rubber hose going from the water pump to the heater core; I went to O'Riellys and ordered a replacement hose. When it came it it was the wrong part; or at least I think. The part i'm looking for has a metal tubing middle section integrated into the hose; the part I got looks like only the front part; I went to NAPA and they said that the only had a replacement tube that was rubber; but they said that they could make me a custom made replacement part if needed. I just needed to take the part off and bring it in so they could copy it.
    My question is where can I get the OEM replacement part ( besides the dealer)? If I cant should I have NAPA make me a new part; or should I just rig it with the rubber replacement part and hose clamps?

    Thanks
    Cade
    1993 Trans Am
    93 Trans Am; Hooker Cat-back;
    Moroso cia; more to
    come...hopefully!

  • #2
    Why not get it from the dealer? I would prefer in all cases to have a genuine part that is identical to what it replaces, even if it costs a bit more, than to buy something someone jury-rigged to replace it, or buy something less than the original. Too much of an investment in the car to not spend the few extra bucks if necessary. Just my opinion though.
    2000 Z-28 Convertible, neutral leather interior and neutral top, hotchkis STB, SLP Bowtie Grill, WhisperLid, K&N, cold air induction

    Comment


    • #3
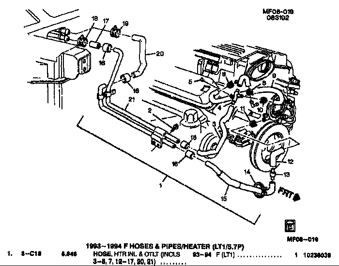
      I know exactly what you are talking about (I think). The part comes as a huge assembly. I've never seen anything like it before. I called 2 dealers in Atlanta and neither had it and neither new when they could get it. I ordered it from www.gmpartsdirect.com. Well after a couple of days driving a 4 cylinder mini van I started working on it. I took a small pair of wire cutters and nibbled the pressed on hose clamp off the plastic fitting just off the water pump. I then took a standard straight section of hose and connected it to the water pump. That was months ago. I still have the assembly but I will not put it in unless I have another problem.

      Item 1 is the hose assembly. All of the other parts are not available by them self.

      The part number is 10236039 and is $76.29 from http://www.gmpartsdirect.com
      Attached Files
      2002 Electron Blue Vette, 1SC, FE3/Z51, G92 3.15 gears, 308.9 RWHP 321.7 RWTQ (before any mods), SLP headers, Z06 exhaust, MSD Ignition Wires, AC Delco Iridium Spark Plugs, 160 t-stat, lots of ECM tuning

      1995 Z28, many mods, SOLD

      A proud member of the "F-Body Dirty Dozen"

      Comment

      Working...
      X