Announcement

Collapse
No announcement yet.

Heater Hose

Collapse
X
  • Filter
  • Time
  • Show
Clear All
new posts

  • Heater Hose

    Can You replace the factory heater hose with a regular rubber hose as long as it's routed out of the way. GM wants $132 for the replacement hose, and the leak is too close the metal part of the hose to cut out. Any help with this problem would be appreciated. It's the hose that connects to the water pump on the passenger side of the pump. I have already replaced the pump and all of the other hoses and gone through 3 bad themostats. Well 2 anyway the 3rd seems to be OK.

    Thanks for your help,
    Mark B.

  • #2
    What kind of car are you asking about?
    2002 Electron Blue Vette, 1SC, FE3/Z51, G92 3.15 gears, 308.9 RWHP 321.7 RWTQ (before any mods), SLP headers, Z06 exhaust, MSD Ignition Wires, AC Delco Iridium Spark Plugs, 160 t-stat, lots of ECM tuning

    1995 Z28, many mods, SOLD

    A proud member of the "F-Body Dirty Dozen"

    Comment


    • #3
      is it the hose that comes out of the wate pump on an LT1 and goes under the passenger side header in the the firewall? I had the same problem, a regular hose works fine, the metal part in for when you are refilling colant to let presure out of the lines aft the thermostate, if it wasnt there then you would have to remove the hose or the thermostate to refill colant properly.
      1967 VW Bug 2.3L Ford SVO Inline 4 w/ Turbo, Sand-Drag VW Trans Axle, Race this Import.
      2001 Dodge Ram 1500 Totally Stock

      Comment


      • #4
        I assume you're talking about your 3rd gen, right? I wouldn't replace a heater hose with a regular rubber hose. You want heater hose, it's got more "wall thickness" than vacuum lines and is tougher, of course. Any auto parts store should sell heater hoses in various sizes, you'll want 5/8" IIRC. You can also buy heater hose repair kits, which come with plastic connectors, hose clamps, etc., to repair a leaking heater hose.

        So, yes, you can replace your factory heater hose with some regular heater hose.
        1991 Chevy Camaro RS (Is it plum or purple?)
        Engine: 305 TBI (L03)
        Trans: TH700R4
        Mods: Some

        CarDomain Site

        Comment


        • #5
          Heater hose

          Sorry I forgot to mention that my car is a 1996 Z-28.

          I had same problem with my 77 Z-28 but you can bypass those with little problem.

          Sorry again for the ommision, dumb on my part. It was late and I was'nt thinking clearly.

          Thanks for the responses,

          Mark B.

          Comment


          • #6
            Originally posted by Squat13
            is it the hose that comes out of the wate pump on an LT1 and goes under the passenger side header in the the firewall? I had the same problem, a regular hose works fine, the metal part in for when you are refilling colant to let presure out of the lines aft the thermostate, if it wasnt there then you would have to remove the hose or the thermostate to refill colant properly.
            What about a flush kit in-line with the rubber heater hose. I could loosen flush cap to bleed system...sound plausible?

            Comment


            • #7
              Originally posted by Squat13
              is it the hose that comes out of the wate pump on an LT1 and goes under the passenger side header in the the firewall? I had the same problem, a regular hose works fine, the metal part in for when you are refilling colant to let presure out of the lines aft the thermostate, if it wasnt there then you would have to remove the hose or the thermostate to refill colant properly.

              Thanks for info...will keep that in mind when deciding what to do.
              Thanks again.. Mark B.
              1996 and 1977 Z-28s

              Comment


              • #8
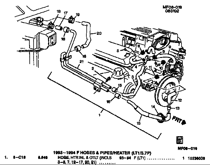
                I figured it was probably an LT1 and that it's in the bend (part #12) between the water pump and that plastic thing with 2 metal clamps on it. The plastic thing has a small hole in it that is restricting the water flow for some reason. What I did was take a pair of wire cutters and nibble the clamp off of the hose. Then cut of piece of hose to fit and use a regular clamp on it. I bought the hose assembly but it looks like a PITA to install. see pic
                Attached Files
                2002 Electron Blue Vette, 1SC, FE3/Z51, G92 3.15 gears, 308.9 RWHP 321.7 RWTQ (before any mods), SLP headers, Z06 exhaust, MSD Ignition Wires, AC Delco Iridium Spark Plugs, 160 t-stat, lots of ECM tuning

                1995 Z28, many mods, SOLD

                A proud member of the "F-Body Dirty Dozen"

                Comment


                • #9
                  Originally posted by Jeff 95 Z28
                  I figured it was probably an LT1 and that it's in the bend (part #12) between the water pump and that plastic thing with 2 metal clamps on it. The plastic thing has a small hole in it that is restricting the water flow for some reason. What I did was take a pair of wire cutters and nibble the clamp off of the hose. Then cut of piece of hose to fit and use a regular clamp on it. I bought the hose assembly but it looks like a PITA to install. see pic

                  Thanks for the Pic. The leak is actually om the Water Pump side of Part # 5 directly in the 90 degree bend,too close to the metal and too close to the WP outlet to cut out. It's about 2 inches into the rubber hose on the WP side of the bleeder. You are correct about the replacement it is definately a PITA, just like the WP was. I'm still looking at options and appreciate your input. Thanks for taking the time to respond and send the parts diagram it is much appreciated.

                  Mark B.
                  Still busting knuckles, but i'll get it one way or the other. Have'nt had to pay a mechanic since I was 14 and i'm not going to start now. These 4th gens sure are a challenge compared to my 2nd gen but i'll get it. Later....

                  Comment


                  • #10
                    Originally posted by Mark B.
                    Thanks for info...will keep that in mind when deciding what to do.
                    Thanks again.. Mark B.
                    1996 and 1977 Z-28s
                    Actually thats Just what I did. Worked great until I sold it.
                    1967 VW Bug 2.3L Ford SVO Inline 4 w/ Turbo, Sand-Drag VW Trans Axle, Race this Import.
                    2001 Dodge Ram 1500 Totally Stock

                    Comment

                    Working...
                    X