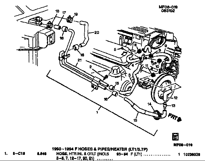
Flushing the coolant and changing the thermostat did not help the heater siutation, its gets milddly warm on the highway but never hot, hot only after prolonged stop and go driving in the city.
Question. Anyway to flush the heater core at the firewal , before removing it completely, I looked under its kinda deep inside there hard to reach? Anyone done it. This would be the last resort before I get fed up and take it to my mechanic.
Question. Anyway to flush the heater core at the firewal , before removing it completely, I looked under its kinda deep inside there hard to reach? Anyone done it. This would be the last resort before I get fed up and take it to my mechanic.


I had it done by a mechanic they pumped it out under pressure .

Comment